MENU
カテゴリーから検索
投稿月から検索

測定データ解析を効率化!新ソフト発売

〈景品表示法に基づく表記〉当サイトはアフィリエイトプログラムによる収益を得ています。
測定データ解析を効率化!新ソフト発売 - 画像1
目次

測定データ解析ソフトウェア「SW-A-100」発売

株式会社共和電業は、測定データの確認・解析からレポート作成までをワンストップで実現するデータ解析ソフトウェア「SW-A-100」を、2026年2月2日に発売いたします。

測定データ解析を効率化!新ソフト発売 - 画像2

本製品は、測定データの全体像を素早く可視化し、詳細解析へとスムーズに移行できる高い操作性を特徴としています。解析業務に必要なワークフローを効率化し、エンジニアの負担軽減に貢献する目的で開発されました。

高速な表示と直感的な操作性

「SW-A-100」は、大量の測定データを迅速に読み込み、全データの波形を即座にグラフ表示します。測定データに加えて、動画やGPSデータ(Global Positioning System:地球の位置情報を測るシステム)も表示可能です。

測定データ解析を効率化!新ソフト発売 - 画像3

データ全体のトレンドを俯瞰的に確認できる機能に加え、詳細を確認したい箇所をダブルクリックするだけで詳細グラフへ移行できます。データの表示、解析からレポート作成まで、複数のソフトウェアを切り替えることなく、本製品のみで完結するワンストップ・ワークフローを実現しています。

Ms.ガジェット
データの確認からレポート作成まで、これ一つで完結できるのは便利ですね。作業効率の向上に繋がりそうです。

柔軟なチャネル表示機能

サンプリング周波数が異なる、またはファイル形式が異なるチャネルを同一グラフに表示できるため、データの比較を直感的に行うことができます。

測定データ解析を効率化!新ソフト発売 - 画像4

また、同期運転や繰り返し集録などで出力された関連ファイルをまとめて読み込む「スイート読み」機能により、異なるファイルの同一チャネルを時系列順に配置したチャネルを生成します。これにより、ファイルを個別に結合する手間を省き、測定結果をスムーズに確認できます。

Ms.ガジェット
異なる条件のデータを比較検討する際に、この機能は役立ちそうですね。スムーズな確認が期待できます。

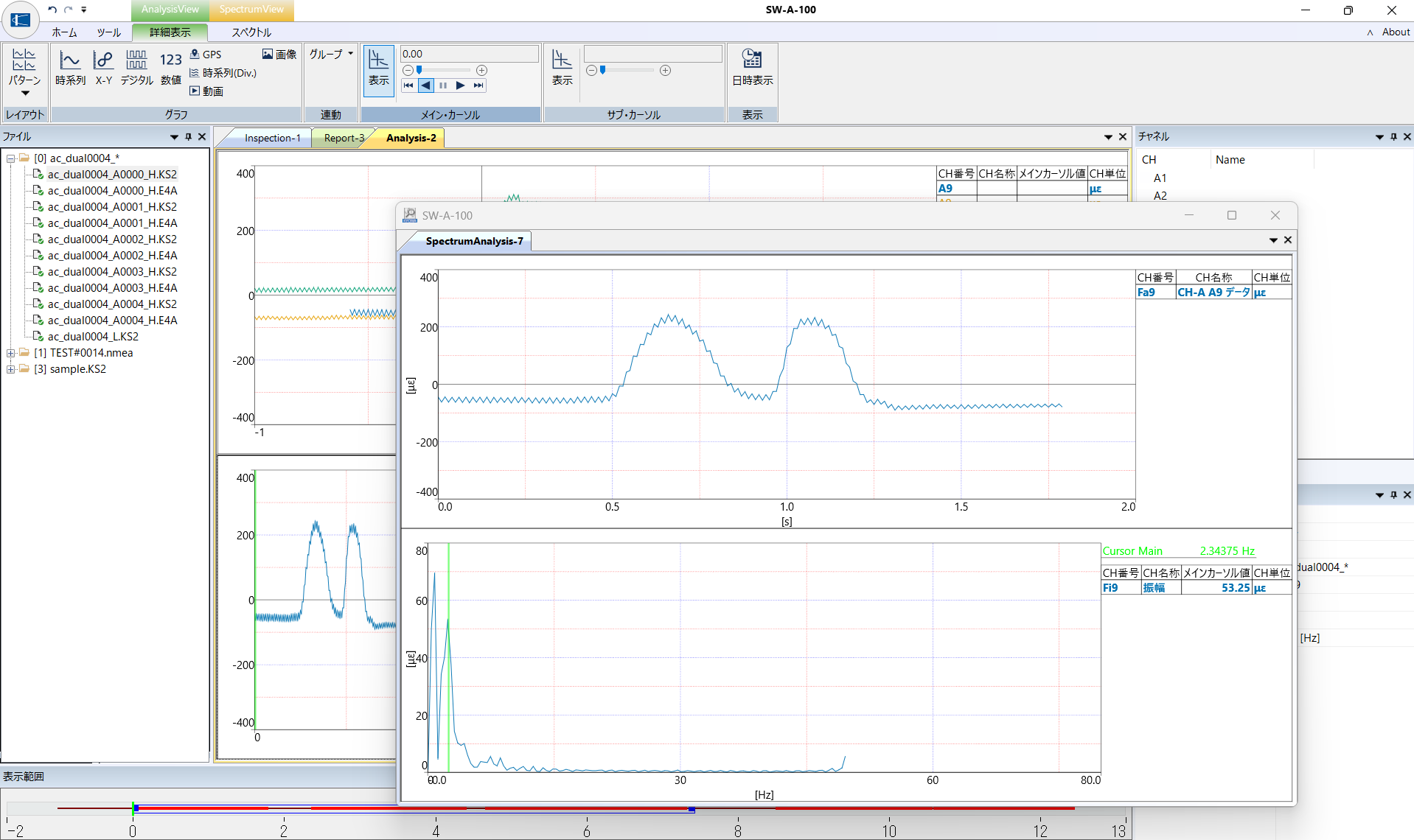
高度なデータ解析と多彩な解析機能

「SW-A-100」は、スペクトル解析(周波数成分を分析する手法)をはじめとした、専門性の高い解析機能を標準搭載しています。

測定データ解析を効率化!新ソフト発売 - 画像5

複数チャネルのスペクトル解析結果を同一グラフ上に表示し、周波数特性を効率的に比較・確認できます。スペクトル解析に加え、デジタルフィルタ(信号処理の一種)など、現場で求められる各種解析処理にも対応しています。

Ms.ガジェット
専門的な解析機能が標準搭載されているのは、より高度な分析を行いたい方にとって魅力的なポイントですね。

定型業務の自動化を支援

同梱のコンソールアプリケーションにより、定型的な解析・処理作業を自動化できます。

測定データ解析を効率化!新ソフト発売 - 画像6

大量のデータファイルを一括処理することで、作業時間を大幅に短縮できます。引数による条件設定が可能で、既存の自社システムやワークフローへの組み込みにも柔軟に対応します。

Ms.ガジェット
バッチ処理や条件設定の柔軟性により、業務の自動化に貢献しそうですね。時間短縮にも繋がりそうです。

製品概要

型式:SW-A-100

測定データ解析を効率化!新ソフト発売 - 画像7

価格(税抜き):148,000円

主な機能:データ確認(数値リスト表示、全データ表示、詳細表示)、各種グラフ表示(Y-Timeグラフ、X-Yグラフ、デジタルグラフ、周波数解析結果グラフなど)、解析機能(デジタルフィルタ、スペクトル解析、四則演算など)、ファイル操作(ファイル情報表示、結合、変換など)、レポート作成、S-N曲線作成

読込対応データ形式:共和標準フォーマットファイル、NMEA形式ファイル、画像ファイル、動画ファイル

動作環境:Windows(R) 11

共和電業について

共和電業は、ひずみゲージ(物体の変形を電気信号に変換するセンサー)を日本で最初に商品化しました。1949年の創業以来、豊富な経験と技術をもとに、高性能なひずみゲージや、それを検出素子に用いたセンサ、測定器、計測システムを開発・製造しています。

測定データ解析を効率化!新ソフト発売 - 画像8

多業種にわたるお客様の様々な計測ニーズに応えることで、社会と人の安全を実現し、安心で持続可能な未来づくりに貢献することを目指しています。

Ms.ガジェット
長年の実績と技術力を持つ共和電業の製品ということで、品質への信頼感がありますね。

最後までお読みいただきありがとうございました!

  • 本記事の評価は当サイト独自のものです。
  • 特段の表示が無い限り、商品の価格や情報などは記事執筆時点での情報です。
  • この情報が誤っていても当サイトでは一切の責任を負いかねますのでご了承ください。
  • 当サイトに記載された商品・サービス名は各社の商標です。
  • 本記事で使用している画像は、メディアユーザーとしてPR TIMESより提供されたプレスリリース素材を利用しています。
測定データ解析を効率化!新ソフト発売 - 画像1

この記事が気に入ったら
フォローしてね!

よかったらシェアしてね!
  • URLをコピーしました!
  • URLをコピーしました!
目次